Zum Hauptinhalt springen Zur Suche springen Zur Hauptnavigation springen
Kostenloser Versand ab € 349,- deutschlandweit
Servicepartner von über 50 Herstellern
Über 40.000 Ersatzteile im Sortiment
+10 Jahre Erfahrung

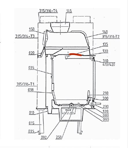
Leda Norderney Anheizklappe

Anheizklappe /  Luftregler / Luftzufuhr / Anheizschieber / Kurzschlussklappe

 

Original Anheizklappe für den Kamineinsatz Leda Norderney

  • Der Hersteller hat die Produktion dieses Artikels eingestellt. Sofern wir über einen Restbestand verfügen, ist dieses Ersatzteil bei uns erhältlich

Leda Norderney Anheizklappe Eckdaten:

  • Luftzufuhr, Kurzschlussklappe
  • Maße (B/L/H) 369 mm x 280 mm x 15 mm
  • Material Guss
  • Position 135 in der Explosionszeichnung
Eigenschaften "Leda Norderney Anheizklappe"
Hersteller: Leda
Material: Guss
Modell: Norderney
Ersatzteilart: Anheizklappe

EU-Verantwortlicher

LEDA Werk GmbH & Co.KG Boekhoff & Co.
Groninger Str 10
26789 Leer
DE
info@www.leda.de

Ähnliche Artikel

Ausverkauft
Leda Norderney Ascherost
Original Ascherost für den Heizeinsatz Leda Norderney Der Hersteller hat die Produktion dieses Artikels eingestellt. Sofern wir über einen Restbestand verfügen, ist dieses Ersatzteil bei uns erhältlich Leda Norderney Ascherost Eckdaten: Rost, Brennofenrost Durchmesser 202 mm Stärke 10 mm Material Guss Position 090 in der Explosionszeichnung
Produktnummer: 01008720

74,96 €*¹

nicht mehr verfügbar, Produktion eingestellt

Leda Norderney Dichtung Set
Original Dichtung Set für den Kamineinsatz Leda Norderney Es wird eine Kartuschenpresse benötigt, um den Kleber aufzutragen. Dieses Set beinhaltet Scheibendichtung und Türdichtung. Wir empfehlen Dichtungsabbinder, die das Ausfransen der Kordelenden verhindern. Auch bieten wir Dichtungshülsen, mit denen die Kordelenden optimal verbunden werden können. 4-teiliges Set Leda Norderney Dichtung Eckdaten: Flachdichtung Maße 9 x 3 mm Länge 4,8 m selbstklebend Kordeldichtung Durchmesser 8 mm Länge 4,9 m Kordeldichtung Durchmesser 5 mm Länge 5,7 m Silikon Lieferumfang 1 Kartusche
Produktnummer: 01034375

73,09 €*¹

Sofort verfügbar, Lieferzeit: 2-4 Tage